Email Us
Products
TAC Pneumatic Toggle Valve
  • TAC Pneumatic Toggle ValveTAC Pneumatic Toggle Valve

TAC Pneumatic Toggle Valve

As the professional manufacture, OLK would like to provide you TAC Pneumatic Toggle Valve. And OLK will offer you the best after-sale service and timely delivery.

The TAC Pneumatic Toggle Valve (also known as a switch valve) is a precision switching component specially designed for pneumatic systems and fluid control. With its unique toggle-type control structure, it achieves rapid switching and precise control of fluid paths.

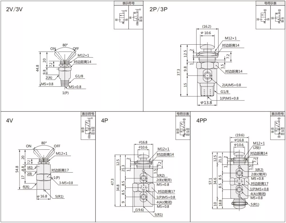
The TAC series toggle valve have 2 position 2 way , 2 position 3 way and 2 position 5 way can be chose.A various of lever type and two types thread :M5,G1/8.

Application scenarios

Industrial automation equipment, mechanical processing, building materials processing, energy and mining, food and beverage industry, medical equipment, etc.

Product Features

It is small in size, requires little installation space, and is intuitive to operate manually, making it suitable for scenarios that require frequent switching.

TAC  toggle valve symbol and outline

Odering code

TAC

2

__

2

P

 

 

 

 

 

TAC series toggle valve

 

 

2:2position 2 way(M5)

P:Push-pull button type

 

 

 

3:2 position 3 way (M5)

V:hand lever type

 

 

 

4:2 powition 5 way (M5)

PP:Double push-pull button

 

 

 

31:2 position 3 way (G1/8)

 

 

 

 

41:2 powition 5 way (G1/8)

 

 

Model

Port size

 

Number
of Position

Effective  
cross-sectional area

Pressure Range

Working Fluid

Ambient
Temperature

 

TAC-2V

Inlet=Outlet=M5   

2 Position 2 Way

1.9mm²

0.05~0.9Ppa

空气

0~60

TAC-2P

Inlet=Outlet=M5   

2 Position 2 Way

1.9mm²

TAC-3V

Inlet=Outlet=M5   

2 Position 3 Way

1.9mm²

TAC-3P

Inlet=Outlet=M5   

2 Position 3 Way

1.9mm²

TAC-4V

Inlet=Outlet=M5   

2 Position 5 Way

1.9mm²

TAC-4P

Inlet=Outlet=M5   

2 Position 5 Way

1.9mm²

4PP

G1/8

 

2 Position 5 Way

4.5mm²

TAC2-31V

Inlet=Outlet=Exhaust=G1/8   

2 Position 3 Way

4.5mm²

TAC2-31P

Inlet=Outlet=Exhaust=G1/8   

2 Position 3 Way

4.5mm²

TAC2-41V

Inlet=Outlet=G1/8   Exhaust=M5

2 Position 5 Way

4.5mm²

TAC2-41P

Inlet=Outlet=G1/8   Exhaust=M5

2 Position 5 Way

4.5mm²

TAC2-41PP

Inlet=Outlet=G1/8   Exhaust=M5

2 Position 5 Way

4.5mm²

FAQs:

What is the difference between toggle valve and mechanical valve ?

It can be distinguish toggle valve and mechanical valve by control type:Toggle valve is pined lever holding type,mechanical valve is push-pull button type or roller type

 

What is the difference between toggle valve and other valves?

Precise control: toggle valves achieve fine flow regulation through a conical valve core, which is suitable for precise control in small-diameter pipelines, while ball valves are more suitable for quick opening and closing operations.

Hot Tags: TAC Pneumatic Toggle Valve, China, Manufacturer, Supplier, Factory
Send Inquiry
Contact Info
Welcome to our website! For inquiries about our products or pricelist, please leave your email to us and we will be in touch within 24 hours.
E-mail
cici@olkptc.com
Mobile
+86-13736765213
Address
Zhengtai Road, Xinguang Industrial Zone, Liushi, Yueqing, Wenzhou, Zhejiang, China.
X
We use cookies to offer you a better browsing experience, analyze site traffic and personalize content. By using this site, you agree to our use of cookies. Privacy Policy
Reject Accept